Popis Dahua IPC-HDEW8441R-Z, IP kamera určena do nebezpečného prostředí, 4MPx, objektiv 2,7-13,5 mm, IR
4 MP, 1/2,7" obrazový snímač CMOS, slabé osvetlenie, obraz s vysokým rozlíšením
Výstupy max. 4 MP (2688 × 1520) pri 30 snímkach za sekundu
Kodek H.265, vysoká kompresná miera, veľmi nízka bitová rýchlosť
Zabudovaná efektívna infračervená LED a svetelná vzdialenosť max: 50 m
ROI, SMART H.264+/H.265+, flexibilné kódovanie, použiteľné pre rôzne šírky pásma a úložné prostredia
Režim otáčania, WDR, 3D NR, HLC, BLC, digitálny vodoznak, použiteľný pre rôzne monitorovacie scény
Detekcia tváre: Sledovanie, snímky, optimalizácia obrazu, optimálne nahrávanie obrazu tváre, vylepšenie tváre, expozícia tváre a atribúty tváre.
Počítanie ľudí: Počítanie ľudí v priestore, správa radov a počítanie ľudí vstupujúcich/odchádzajúcich; Generovanie a export reportov (deň/mesiac/rok).
Inteligentná detekcia: Tripwire, Intrusion, Fast Motion (tieto tri funkcie podporujú klasifikáciu a presnú detekciu vozidiel a ľudí), opustený objekt, chýbajúci objekt, detekcia potulovania, zhromažďovanie ľudí, detekcia parkovania, tepelná mapa, detekcia tváre.
Detekcia abnormalít: Detekcia pohybu, manipulácia s videom, zmena scény, detekcia zvuku, žiadna SD karta, plná SD karta, chyba SD karty, odpojenie siete, konflikt IP, nelegálny prístup a detekcia napätia
Alarm: 3 vstupy, 2 výstupy; Zvuk: 1 vstup, 1 výstup; 485; podporuje max. 256 G Micro SD kartu
Napájanie 12V DC/PoE, jednoduchá inštalácia
Krytie IP68, IK10
Značka odolná proti výbuchu II 2 G Ex db IIC T6/T5 Gb;II 2 D Ex tb IIIC T80°C/T100°C Db
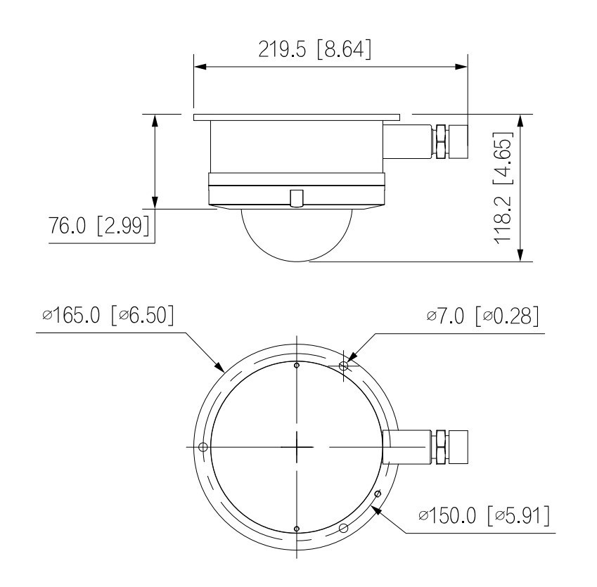
8 m kábel
Certifikácia ATEX a IECEx
SMD 3.0.